Diwali Led Light Circuit
Great discounts free shipping cash on delivery on eligible purchases.

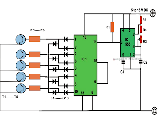
Diwali led light circuit. While practically compare the brightness between this circuit and 11watts tube the led light is much better. The upper circuit is a standard led chaser design comprising of a decade counter ic 4017 and a clock oscillator using ic 555 astable configuration. Circuits are the building blocks of electronics projects.
Diwali special led chaser rgb lighting. Four 15 volt aa batteries make sure theyre fresh one four battery holder for aa batteries one battery clip one 22 identified by a red red red stripe pattern and then a. Buy the latest festive lights at amazonin.
You can decorate the way you want without worrying about power source or a wall socket. This is a modified version of the circuit super bright led night light published here. 230 volts bulb string light circuit for diwali and christmas.
Opting for battery operated lights and solar power diwali lights instead make the job way easy. You need several parts in order to build a basic led circuit. Not to forget theres always a risk of a short circuit when plugging too many lights to one power socket especially while using affordable led lights.
Seetharaman and its full credit goes to him. The proposed chasing fading led light circuit may be understood with the help of the above schematic and the following description. However this is a great time to look at the difference between series and parallel circuits.
This is the circuit of a well tried and reliable 230 volt ac mains operated 24 leds super bright 50ma leds. This circuit is submitted by mr. Mains operated led circuit.
Kohree led curtain lights hanging wedding light remote control outdoor indoor icicle flashing string lights for bedroom christmas party decorations warm white 300 led 44 out of 5 stars 758 1955 19. I project b le aa led chaser l aa i l aa photo. Choose from a wide range of diwali lights at amazing prices brands offers.

Source : tran.ifica.lious.tomy.hopad.weasi.hendil.mohammedshrine.org